Jesteśmy zobowiązani do zapewnienia rozwiązania Trinity „długoterminowe oporność na ochronę” dla każdego scenariusza, który wymaga obracania uszczelnień obrotowych. Dzięki ponad 200 formuł materiałowych i patentów strukturalnych pomagamy klientom w obniżeniu wskaźników awarii i osiągnięciu optymalizacji TCO. Cała seria modeli produktów jest bardzo zróżnicowana. Możesz wybierać zgodnie z rzeczywistymi potrzebami lub dostosować od nas obrotowe uszczelki obrotowe.
RCR101 Szkielet obrotowy pojedynczy uszczelka wargowa, pojedyncze działanie, osiowy otwarty rowek, szeroko stosowany, najczęściej używany jako element ochronny dla łożysk.
RCR102 Szkielet obrotowy podwójne uszczelnienie do ust, pojedyncze działanie, z odporną na pyłową wargę pomocy, osiową instalację otwartego rowka, szeroko stosowaną, najczęściej stosowaną jako element ochronny dla łożysk.
Uszczelnienie obrotowe RCR103, podwójne działanie, z pierścieniem podporowym, lepszy efekt uszczelnienia w warunkach uszczelnienia obrotowego pod wysokim ciśnieniem.
RCR104, uszczelka obrotowa RCR105, podwójne działanie, wąski rowek, stabilne osadzanie rowka i powierzchnia uszczelniająca zębata.
RCR106, RCR107 W kształcie obrotowej uszczelki w kształcie litery V, ruch osiowy, duży moduł sprężysty, odporność na tarcia, kurz, zanieczyszczenia, plusk wodny, plusk itp.
Uszczelnienie obrotowe RCR108, pojedyncze działanie, bez sprężyny, zakłócenia warg wewnętrznych i zewnętrznych jest określane zgodnie z różnymi warunkami pracy.
RCR109 O-ring, pierścień elastyczny stosowany najczęściej do uszczelnienia statycznego lub dynamicznego uszczelnienia, elastycznej selekcji średniej temperatury. Aby uzyskać szczegółowe rowki, zapoznaj się z próbką O-ring.
RCR110 Obrotowe uszczelnienie tetrafluoroetylenowe do wału, podwójne działanie, odpowiednie dla wąskich rowków.
RCR111 obrotowe uszczelnienie tetrafluoroetylenu do otworu, podwójne działanie, odpowiednie dla wąskich rowków.
Uszczelnienie obrotowe RCR112, podwójne działanie, wąski rowek, odpowiedni do smarowanych warunków pracy.
Uszczelnienie obrotowe RCR113, podwójne działanie, z pierścieniem podporowym, stabilnym osadzeniem rowka, umożliwiając większą szczelinę i ciśnienie wytłaczania, najczęściej stosowane na obracającym się wale urządzenia wykopu.
RCR115 obrotowe uszczelnienie tetrafluoroetylenu dla wału, podwójne działanie, niskie tarcia, przeciwgroźnie pod wysokim ciśnieniem, korozja przeciw wysokiej temperatury.
RCR116 Obrotowe uszczelnienie tetrafluoroetylenowe dla otworu, podwójne działanie, niskie tarcia, przeciwdeszczowe pod wysokim ciśnieniem, korozja przeciw wysokiej temperatury.
RCR117, RCR121 Obrotowe uszczelnienie PTFE, z sprężyną Mandera, pojedynczą działaniem, odpornością na korozję o wysokiej temperaturze, odpowiedni dla stosunkowo dużej prędkości i wysokiego ciśnienia.
RCR118 END PTFE PELTARY, z Mander Spring, pojedyncze działanie, odporność na korozję o wysokiej temperaturze, stosowana głównie w przemyśle chemicznym.
RCR119 Szkielet obrotowy pojedynczy uszczelka wargowa, pojedyncze działanie, osiowy otwarty rowek, szeroko stosowany, najczęściej używany jako element ochronny dla łożysk.
RCR201, RCR202 Szkielet obrotowy podwójny uszczelka wargowa, pojedyncze działanie, z odporną na pyłową wargę pomocniczą, osiową instalację otwartego rowka, szeroko stosowaną, najczęściej stosowaną jako element ochronny dla łożyska.
RCR203, RCR204 obrotowe bez szkieletu uszczelki pojedynczej warg, pojedyncze działanie, osiowe otwarte urządzenie rowka stała instalacja, najczęściej stosowana w branżach ciężkich, takich jak metalurgia i stocznia.
RCR205 odcięty obrotowy szkielet bez szkieletu pojedyncza uszczelka wargowa, pojedyncze działanie, osiowe otwarte urządzenie rowka stała instalacja, stosowana głównie w branżach ciężkich, takich jak metalurgia i stocznia.
RCR206, RCR207 odcięty obrotowy bezszładowy uszczelka pojedyncza wargowa, pojedyncze działanie, osiowe otwartą oprawę rowka, stała instalacja, najczęściej stosowana w branżach ciężkich, takich jak metalurgia i budowa statków. Nadaje się do uszczelnienia o niskiej prędkości, podłoże uszczelniające to tłuszcz na bazie litu.
Funkcje i aplikacje produktu:
Główne aplikacje
Obracanie uszczelnień obrotowych są odpowiednie do obrotowego uszczelnienia końcowego wału, uszczelniania wału obrotowego, kopaczy, chwytaków, obrotowych, dystrybutorów obrotowych, a ten rodzaj uszczelnienia jest często stosowany w przemyśle naftowym i chemicznym
Zalety
Obracanie uszczelnień obrotowych mają szeroki zakres dostosowujących się do mediów i temperatury, dobry efekt uszczelnienia, oporność pod wysokim ciśnieniem, niewielki rozmiar przekroju, odporność na olej hydrauliczną, niskie tarcie i brak zjawiska szkieletowego.

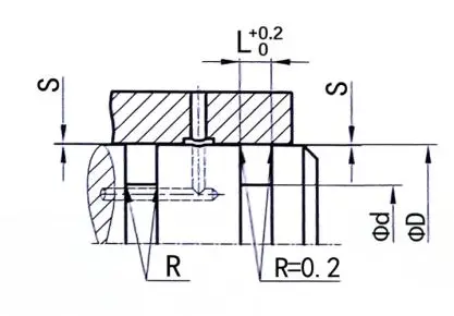
RCR101
Rozmiar zamówienia
ΦD ...... Średnica zewnętrzna
ΦD ...... średnica wewnętrzna
L ...... szerokość rowka
|
Wykończenie powierzchni |
R TMAX (μM) |
RA (μM) |
|
Ślizgające się gumowe uszczelki gumowe/poliuretanowe Przesuwane uszczelki PTFE pasujące do powierzchni |
≤2,5
≤2 |
≤0,1-0,5
≤0,05-0.3 |
|
Groove Dno Groove Side |
≤6,3 ≤15 |
≤1,6 ≤3 |
|
Współczynnik długości wsparcia profilu TP |
50%-95% |
|
|
Tolerancja |
|
|
Φd |
f8 |
|
Φd |
H8 |
Przykład zamawiania
Model: RCR101
Rozmiar groove: 100x115x8
Materiał: NBR/POM

Typ pieczęci: RCR101, RCR102
Zastosowanie główne: odpowiednie do obrotowego uszczelnienia końcowego wału
Zalety: odpowiednie dla szerokiego zakresu mediów, szerokiego zakresu temperatur i dobrego efektu uszczelnienia
Materiał: poliuretan, guma/polioksymetylen
|
Przykłady groove pieczęć |
Poniżej znajdują się standardowe wymiary rowka (można wytworzyć uszczelki obrotowe dowolnej wielkości w zakresie wielkości) |
|||||
|
|
|
Φd |
Φd |
L |
C/s |
|
|
6-59.9 |
Φd+12 |
7 |
6 |
|||
|
60-139.9 |
Φd+15 |
8 |
7.5 |
|||
|
140-299.9 |
Φd+20 |
10 |
10 |
|||
|
300-499.9 |
Φd+30 |
12 |
15 |
|||
|
500-800 |
Φd+40 |
20 |
20 |
|||
|
> 800 |
Φd+50 |
22 |
25 |
|||

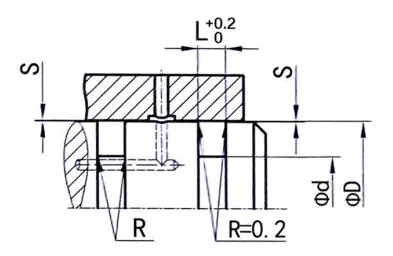
RCR115
Rozmiar zamówienia
ΦD ...... Średnica zewnętrzna
ΦD ...... średnica wewnętrzna
L ...... szerokość rowka
|
Wykończenie powierzchni |
R TMAX (μM) |
RA (μM) |
|
Ślizgające się gumowe uszczelki gumowe/poliuretanowe Przesuwane uszczelki PTFE pasujące do powierzchni |
≤2,5
≤2 |
≤0,1-0,5
≤0,05-0.3 |
|
Groove Dno Groove Side |
≤6,3 ≤15 |
≤1,6 ≤3 |
|
Współczynnik długości wsparcia profilu TP |
50%-95% |
|
|
Tolerancja |
|
|
Φd |
f8 |
|
Φd |
H8 |
Przykład zamawiania
Model: RCR115
Rozmiar rowka: 100x111x4.2
Materiał: PTFE4+NBR

Typ pieczęci: RCR115
Zastosowanie główne: odpowiednie do obrotowych uszczelek wału, kopaczy, chwytaków, obrotowych połączeń.
Zalety: może odpierać wysokie ciśnienie, ma niewielki rozmiar przekroju, jest odporny na olej hydrauliczny, ma niskie tarcia i brak zjawiska ze szkieletem.
Materiał: tetrafluoroetylen + guma nitrylowa lub fluororubber
|
Przykłady groove pieczęć |
Poniżej znajdują się standardowe wymiary rowka (można wytworzyć uszczelki obrotowe dowolnej wielkości w zakresie wielkości) |
||||||||
|
|
|
Φd |
Φd |
L |
R |
X |
Maksymalna przerwa wytłaczania S. |
||
|
100bar |
200bar |
||||||||
|
6-18,9 |
Φd+4.9 |
2.2 |
0.4 |
1.78 |
0.15 |
0.10 |
|||
|
19-37,9 |
ΦD+7.5 |
3.2 |
0.6 |
2.62 |
0.20 |
0.15 |
|||
|
38-199.9 |
Φd+11 |
4.2 |
1.0 |
3.53 |
0.25 |
0.20 |
|||
|
200-255.9 |
ΦD+15.5 |
6.3 |
1.3 |
5.33 |
0.30 |
0.25 |
|||
|
256-649.9 |
Φd+21 |
8.1 |
1.8 |
7.00 |
0.30 |
0.25 |
|||
|
> 650 |
Φd+28 |
9.5 |
2.5 |
8.40 |
0.45 |
0.30 |
|||

RCR116
Rozmiar zamówienia
ΦD ...... Średnica zewnętrzna
ΦD ...... średnica wewnętrzna
L ...... szerokość rowka
|
Wykończenie powierzchni |
R TMAX (μM) |
RA (μM) |
|
Ślizgające się gumowe uszczelki gumowe/poliuretanowe Przesuwane uszczelki PTFE pasujące do powierzchni |
≤2,5
≤2 |
≤0,1-0,5
≤0,05-0.3 |
|
Groove Dno Groove Side |
≤6,3 ≤15 |
≤1,6 ≤3 |
|
Współczynnik długości wsparcia profilu TP |
50%-95% |
|
|
Tolerancja |
|
|
Φd |
f8 |
|
Φd |
H8 |
Przykład zamawiania
Model: RCR116
Rozmiar groove: 100x89x4.2
Materiał: PTFE4+NBR

Typ pieczęci: RCR116
Zastosowanie główne: Nadaje się do uszczelnień końcowych wału obrotowego, kopaczy, chwytaków, złączek obrotowych, dystrybutorów obrotowych.
Zalety: nadaje się do szerokiego zakresu pożywki i temperatury, ma dobry efekt uszczelnienia, niewielki rozmiar przekroju, silna odporność na olej hydrauliczny, niskie tarcie i brak zjawiska ze szkieletem.
Materiał: tetrafluoroetylen + guma nitrylowa lub fluororubber
|
Przykłady groove pieczęć |
Poniżej znajdują się standardowe wymiary rowka (można wytworzyć uszczelki obrotowe dowolnej wielkości w zakresie wielkości) |
||||||||
|
|
|
Φd |
Φd |
L |
R |
O-ring |
Maksymalna przerwa wytłaczania S. |
||
|
100bar |
200bar |
||||||||
|
8-39.9 |
ΦD-4,9 |
2.2 |
0.4 |
1.78 |
0.15 |
0.10 |
|||
|
40-79.9 |
ΦD-7.5 |
3.2 |
0.6 |
2.62 |
0.20 |
0.15 |
|||
|
80-132.9 |
ΦD-11.0 |
4.2 |
1.0 |
3.53 |
0.25 |
0.20 |
|||
|
133-329.9 |
ΦD-155.5 |
6.3 |
1.3 |
5.33 |
0.30 |
0.25 |
|||
|
330-669.9 |
ΦD-21.0 |
8.1 |
1.8 |
7.00 |
0.30 |
0.25 |
|||
|
> 670 |
ΦD-28.0 |
9.5 |
2.5 |
8.40 |
0.45 |
0.30 |
|||

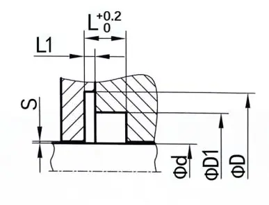
RCR117
Rozmiar zamówienia
ΦD ...... Średnica zewnętrzna
ΦD1 ...... Średnica zewnętrzna
ΦD ...... średnica wewnętrzna
L ...... szerokość rowka
L1 ...... Szerokość groove
|
Wykończenie powierzchni |
R TMAX (μM) |
RA (μM) |
|
Ślizgające się gumowe uszczelki gumowe/poliuretanowe Przesuwane uszczelki PTFE pasujące do powierzchni |
≤2,5
≤2 |
≤0,1-0,5
≤0,05-0.3 |
|
Groove Dno Groove Side |
≤6,3 ≤15 |
≤1,6 ≤3 |
|
Współczynnik długości wsparcia profilu TP |
50%-95% |
|
|
Tolerancja |
|
|
Φd |
f8 |
|
Φd |
H8 |
Przykład zamawiania
Model: RCR117
Rozmiar rowka: 100x117,5x110.5x7.1x1.8
Materiał: PTFE4+v

Typ pieczęci: RCR117
Zastosowanie główne: Nadaje się do uszczelnienia końcowego wału obrotowego, ten rodzaj uszczelki jest często stosowany w przemyśle naftowym i chemicznym
Zalety: Niskie tarcia, odporność na korozję, odporność na wysoką temperaturę, odpowiednie dla dużej prędkości
Materiał: PTFE, sprężyna ze stali nierdzewnej
|
Przykłady groove pieczęć |
Poniżej znajdują się standardowe wymiary rowka (można wytworzyć uszczelki obrotowe dowolnej wielkości w zakresie wielkości) |
|||||||||
|
|
|
Φd |
Φd |
FD1 |
L |
L1 |
Maksymalna przerwa wytłaczania S. |
|||
|
20bar |
100bar |
200bar |
||||||||
|
5-19.9 |
Φd+9 |
Φd+5 |
3.6 |
0.85 |
0.25 |
0.15 |
0.10 |
|||
|
20-39.9 |
ΦD+12.5 |
Φd+7 |
4.8 |
1.35 |
0.35 |
0.20 |
0.15 |
|||
|
40-399.9 |
ΦD+17.5 |
ΦD+10.5 |
7.1 |
1.8 |
0.50 |
0.25 |
0.20 |
|||
|
≥400 |
Φd+22 |
Φd+14 |
9.5 |
2.8 |
0.60 |
0.30 |
0.25 |
|||



















































Adres
No.1 Ruichen Road, Dongliuting Industrial Park, dystrykt Chengyang, miasto Qingdao, prowincja Shandong, Chiny
Tel