Zapewniamy pełny zakres roztworów statycznych uszczelek, obejmujących standardowe produkty specjalne ogólnego i wysokiego ciśnienia. RCFL106/102 i RCK126 to podstawowe modele o prostej strukturze i szerokiej aplikacji; RCS130/131 i RCFL108 Przyjmują projekt instalacji zewnętrznej średnicy wytłaczania, aby zapewnić stabilność osadzania rowka; RCK120/127 i inne podobne produkty serii osiągają tę samą niezawodność poprzez instalację wewnętrzną wytłaczania.
W odpowiedzi na potrzeby uszczelnienia kołnierza RCF110 i RCR118 mogą ponieść ciśnienie w obu kierunkach, a kierunek ciśnienia należy wskazać podczas zamówienia. Linia produktu w pełni obejmuje niskie ciśnienie w warunkach pracy, a materiał jest odporny na zużycie i oporność na korozję, i jest szeroko stosowana w systemach hydraulicznych, połączeniach rurociągowych i uszczelnianiu sprzętu przemysłowego.
Funkcje i aplikacje produktu:
Zastosowanie: ogólny cel, uszczelnienie id, uszczelnienie OD, uszczelnienie osiowe
Specyfikacje i rowki o-ring
Rozmiar zamówienia
ΦD1 ...... średnica wewnętrzna
ΦD2 ...... średnica sekcji
Przykład zamawiania
Model: RCFL106
Średnica sekcji średnicy wewnętrznej: 14x1,8
Materiał: Nbr
Aplikacja
Ciśnienie od wewnątrz: O-ring jest ściśnięty od średnicy zewnętrznej
Nacisk z zewnątrz: O-ring jest ściśnięty od średnicy wewnętrznej
O-ringi mają precyzyjne tolerancje produkcyjne. Dopuszczalne tolerancje zostały znormalizowane zgodnie z DIN3771 i ISO3601/1 (średnica przekroju do 7 mm, średnica wewnętrzna do 670 mm). Odpowiednie tolerancje pokazano w poniższej tabeli.
| Tolerancja sekcji | ||||||||
| Sekcja | 1.80 | 2.65 | 3.55 | 5.30 | 7.00 | 8.4 | 10.00 | 12.00 |
| Tolerancja | ± 0,08 | ± 0,09 | ± 0,10 | ± 0,13 | ± 0,15 | ± 0,18 | ± 0,21 | ± 0,25 |
| Tolerancja średnicy wewnętrznej | ||||||||||
| Średnica wewnętrzna | 1,80 ~ 6.30 | 6,70 ~ 11.20 | 11.8 ~ 21.2 | 22,4 ~ 40,0 | 41,2 ~ 80,0 | 82,5 ~ 160 | 165 ~ 300 | 300 ~ 650 | 670 ~ 910 | 910 ~ 1180 |
| Tolerancja | ± 0,13 | ± 0,16 | ± 0,19 | ± 0,95 | ± 0,86 | ± 0,78 | ± 0,74 | ± 0,67 | ± 0,60 | ± 0,65 |
| Odpowiedni procent średnicy wewnętrznej % | ||||||||||
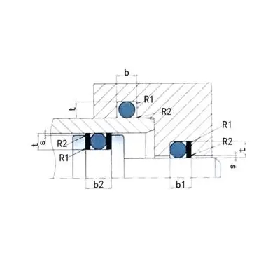
Rozmiar groove
![]() |
||||||||||
| Sekcja D2 | Groove Głębokość t | Groove Szerokość Jednostka: MM (+0.20) | Promień R1 mm | |||||||
| mm | Statyczny | Dynamiczny (hydrauliczny) | Dynamiczny (pneumatyczny) | B Brak pierścienia zatrzymującego | B1 1 Pierścień zatrzymujący | B2 2 Pierścienie zatrzymujące | ||||
| 1.00 | 0.65 | ± 0,05 | 0.75 | ± 0,02 | 0.80 | ± 0,02 | 1.4 | 2.4 | 3.4 | 0,2-0.4 |
| 1.50 | 1.05 | 1.20 | 1.25 | 2.0 | 3.0 | 4.0 | 0,2-0.4 | |||
| 1.80 | 1.30 | 1.45 | 1.55 | 2.4 | 3.4 | 4.4 | 0,2-0.4 | |||
| 2.00 | 1.50 | 1.65 | 1.75 | 2.7 | 3.7 | 4.7 | 0,2-0.4 | |||
| 2.50 | 1.95 | 2.10 | 2.20 | 3.4 | 4.9 | 6.4 | 0,2-0.4 | |||
| 2.65 | 2.05 | 2.25 | 2.35 | 3.6 | 5.1 | 6.6 | 0,2-0.4 | |||
| 3.00 | 2.40 | 2.55 | 2.70 | 4.2 | 5.7 | 7.2 | 0,2-0.4 | |||
| 3.50 | 2.80 | ± 0,07 | 3.05 | ± 0,05 | 3.20 | ± 0,05 | 4.8 | 5.3 | 7.8 | 0,3-0,6 |
| 3.55 | 2.85 | 3.10 | 3.25 | 4.8 | 6.3 | 7.8 | 0,3-0,6 | |||
| 4.00 | 3.25 | 3.50 | 3.65 | 5.4 | 6.9 | 8.4 | 0,3-0,6 | |||
| 5.00 | 4.15 | ± 0,10 | 4.45 | 4.65 | 6.8 | 8.8 | 10.8 | 0,3-0,6 | ||
| 5.30 | 4.40 | 4.70 | 4.90 | 7.2 | 9.3 | 11.2 | 0,6-1,0 | |||
| 7.00 | 5.85 | 6.25 | 6.55 | 9.6 | 12.1 | 14.6 | 0,6-1,0 | |||
| 8.40 | 7.10 | 7.50 | 7.90 | 12.9 | 13.4 | 15.6 | 0,6-1,0 | |||











Adres
No.1 Ruichen Road, Dongliuting Industrial Park, dystrykt Chengyang, miasto Qingdao, prowincja Shandong, Chiny
Tel