Ruichen jest na czele innowacji technologii uszczelniania. Niezależnie rozwinięte uszczelki pyłu o wysokim ciśnieniu dokładnie zakotwiczają odporne na kurz wymagania ruchomych części i używają pierścieni i o-ringów PTFE, aby zapewnić doskonałą ochronę. Podczas pracy O-ring stosuje stabilne obciążenie wstępne, aby przez cały czas zrekompensować zużycie pierścienia PTFE, zapewniając długoterminową stabilność pieczęci; Pierścień pyłu wykorzystuje materiały do napełniania przeciw niszczeniowej, aby silnie oprzeć się inwazji pyłu. Na przykład w połączeniach hydraulicznych cylindrów maszyn budowlanych, skierowanych do pyłu na placu budowy, uszczelki pod wysokim ciśnieniem skutecznie blokują wtargnięcie kurzu i zapewniają płynne działanie cylindra; Wzajemne połączenie huśtawki robotycznego ramienia zautomatyzowanej linii produkcyjnej, jego uszczelki pyłu chronią precyzyjne części przed zakłóceniami pyłu i utrzymują duże operacje; a spiralne urządzenie do przekazywania sprzętu wydobywczego, w środowisku pyłu rudy, uszczelki pyłu pod wysokim ciśnieniem zapewniają stabilne działanie sprzętu, zmniejszają potencjalne uskoki i wydłuża żywotność sprzętu. Ruichen Sealing od dawna koncentruje się na dogłębnym rozwoju. Opierając się na profesjonalnym zespole i najnowocześniejszych obiektach, może nie tylko dostosować wysokowydajne materiały uszczelniające zgodnie z potrzebami klientów i niezależnie kontrolować jakość produkcji, ale także bogate w rezerwy i różnorodne materiały, takie jak polioksymetylen, pomagając klientom w pokonaniu różnych problemów z uszczelnieniem na jednym stopniu i współpracy, aby osiągnąć nowe wyżyny w branży.
Odporne warunki pracy uszczelnienia
| Profil | Model | Temperatura (℃) | Prędkość (M/s) | Głoska bezdźwięczna |
![]() |
RCF01 | -35 ~+100 (dopasowanie O-ring Nbr) | 6 | Olej hydrauliczny, emulsja, woda itp. |
| -20 ~+200 (pasujący do-ring FKM) | ||||
![]() |
RCF02 | -35 ~+100 (dopasowanie O-ring Nbr) | 6 | Olej hydrauliczny, emulsja, woda itp. |
| -20 ~+200 (pasujący do-ring FKM) | ||||
![]() |
RCF03 | -35 ~+100 (dopasowanie O-ring Nbr) | 6 | Olej hydrauliczny, emulsja, woda itp. |
| -20 ~+200 (pasujący do-ring FKM) | ||||
![]() |
RCF04 | -35 ~+100 (dopasowanie O-ring Nbr) | 6 | Olej hydrauliczny, emulsja, woda itp. |
| -20 ~+200 (pasujący do-ring FKM) | ||||
![]() |
RCF05 | -35 ~+100 (dopasowanie O-ring Nbr) | 6 | Olej hydrauliczny, emulsja, woda itp. |
| -20 ~+200 (pasujący do-ring FKM) |
Przykład zamówienia:
Model zamówienia RCF01-80-PTFE3-R01
RCF01-Model 80 wałowy PTFE3-Zmieniony Modyfikowany PTFE R01 Kod materiału gumowego
Gumka nitrylowa (NBR) -R01 Fluororubber (FKM) -R02
Model zamówienia RCF02-80-PTFE3-R01
RCF02-Model 80 wałowy wałek PTFE3-generalny zmodyfikowany kod materiału gumowego PTfer01
NBR (NBR) -R01 Fluororubber (FKM) -R02
Model zamówienia RCFO3-80-PTFE3 -R01
RCF03-Model 80 wałowy PTFE3-Generalny Zmodyfikowany PTFE R01 Dopasowanie kodu materiału gumowego
Gumka nitrylowa (NBR) -R01 Fluororubber (FKM) -R02
Model zamówienia RCF04-80-PTFE3-R01
RCF04-MODEL 80 STERICE WADERA PTFE3-General Zmodyfikowany PTFE R01 Dopasowy kod materiału gumowego
Gumka nitrylowa (NBR) -R01 Fluororubber (FKM) -R02
Model zamówienia RCF04-80-PTFE3-R01
RCF04-MODEL 80 STERICE WADERA PTFE3-General Zmodyfikowany PTFE R01 Dopasowy kod materiału gumowego
Gumka nitrylowa (NBR) -R01 Fluororubber (FKM) -R02
Model zamówienia RCF05-80-PTFE3-R01
RCF05-model 80-wałowy średnica PTFE3-generalny zmodyfikowany kod materiału gumowego R01 R01
Gumka nitrylowa (NBR) -R01 Fluororubber (FKM) -R02
Specyfikacje:
| Specyfikacje RCF01 (można zapewnić produkty dowolnej wielkości w zakresie parametrów) | ||||||
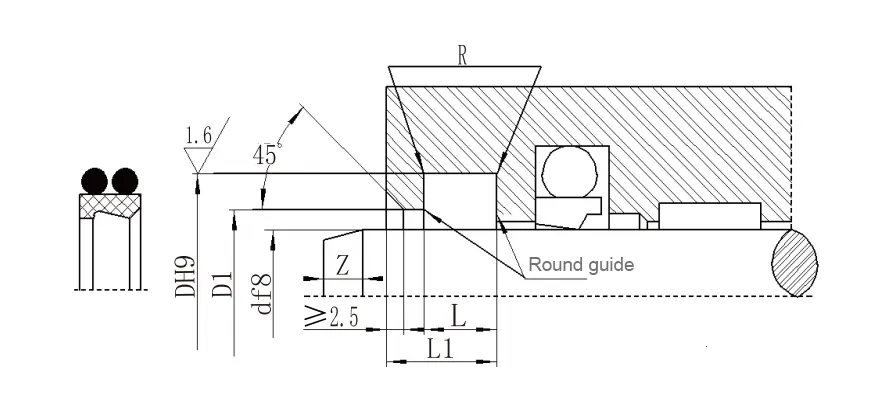
| Zakres średnicy wału D F8 |
Średnica groove D H9 |
Szerokość groove L+0.2 |
Średnica otwartej otworu D1 H11 |
Szerokość otwartej otworu ≥ |
Zaokrąglone zakątki R ≤ |
Średnica drutu o-ring D0 |
| 19 ~ 39 | D+7.6 | 4.2 | D+1,5 | 3 | 0.8 | 2.65 |
| 40 ~ 69 | D+8.8 | 6.3 | D+1,5 | 3 | 0.8 | 2.65 |
| 70 ~ 139 | D+12.2 | 8.1 | D+2.0 | 4 | 0.8 | 3.55 |
| 140 ~ 399 | D+16.0 | 9.5 | D+2.5 | 5 | 1.5 | 5.30 |
| 400 ~ 649 | D+24.0 | 14 | D+2.5 | 8 | 1.5 | 7.00 |
| 650 ~ 1500 | D+27,3 | 16 | D+2.5 | 10 | 2.0 | 8.60 |
| RCF02, RCF03 Tabela parametrów (można podać produkty dowolnej wielkości w zakresie parametrów) | ||||||
| Zakres średnicy wału D F8 |
Średnica groove D H9 |
Szerokość groove L+0.2 |
Średnica otwartej otworu D1 H11 |
Szerokość otwartej otworu ≥ |
Zaokrąglone zakątki R ≤ |
Średnica drutu o-ring D0 |
| 4 ~ 11 | D+4.8 | 3.7 | D+1,5 | 2 | 0.4 | 1.8 |
| 12 ~ 64 | D+6.8 | 5 | D+1,5 | 2 | 0.7 | 2.65 |
| 65 ~ 250 | D+8.8 | 6 | D+1,5 | 3 | 1.0 | 3.55 |
| 251 ~ 420 | D+12.2 | 8.4 | D+2.0 | 4 | 1.5 | 5.30 |
| 421 ~ 650 | D+16.0 | 11 | D+2.0 | 4 | 1.5 | 7.00 |
| 651 ~ 1500 | D+20.0 | 14 | D+2.5 | 5 | 2.0 | 8.60 |
| Tabela parametrów specyfikacji RCF04 (można podać produkty dowolnej wielkości w zakresie parametrów) | ||||||
| Zakres średnicy wału D F8 |
Średnica groove Dh9 |
Średnica kroku D1 H11 |
Szerokość groove L+0.2 |
Ogólna szerokość L1 |
Okrągłe rogi Rmax | Długość fazowania Zmin |
| 20 ~ 39,9 | D+7.6 | D+1 | 4.2 | 8.2 | 0.4 | 3 |
| 40 ~ 69,9 | D+8.8 | D+1,5 | 6.3 | 10.3 | 1.2 | 4 |
| 70 ~ 139,9 | D+12.2 | D+2.0 | 8.1 | 12.1 | 2 | 6 |
| 140 ~ 399,9 | D+16.0 | D+2.0 | 11.5 | 15.5 | 2 | 8 |
| 400 ~ 649,9 | D+24.0 | D+2.5 | 15.5 | 19.5 | 2 | 10 |
| 650 ~ 1000 | D+27,3 | D+2.5 | 18.0 | 23.0 | 2 | 12 |
| Tabela parametrów specyfikacji RCF05 (można podać produkty dowolnej wielkości w zakresie parametrów) | ||||||
| Zakres średnicy wału D F8 | Średnica groove DH9 | Średnica kroku D1 H11 | Szerokość groove L+0.2 |
Szerokość boczna L1 |
Okrągłe rogi Rmax |
Długość fazowania Zmin |
| 100 ~ 229 | D+22.2 | D+10.7 | 6.3 | 4.2 | 1.2 | 6 |
| 230 ~ 299 | D+24.2 | D+10.7 | 6.3 | 4.2 | 1.2 | 8 |
| 300 ~ 629 | D+33.0 | D+15.1 | 8.1 | 6.3 | 1.2 | 10 |
| 630 ~ 1000 | D+36,5 | D+15.1 | 9.5 | 6.3 | 2 | 12 |
Aplikacja:
Stosowane głównie w maszynach rolniczych, prasach hydraulicznych, maszynach do formowania wtrysku, systemach sterowania hydraulicznym, wózkach widłowych, prasach rolkowych, dźwigach, ładowaniu i rozładunku maszyn itp.











Adres
No.1 Ruichen Road, Dongliuting Industrial Park, dystrykt Chengyang, miasto Qingdao, prowincja Shandong, Chiny
Tel